In detail:
| Data | Voltage | 24V/36V/48V |
| Power | 200W~350W |
| Speed | 15km/h~35km/h |
| Maximum Torque | 70N.m |
| Maximum Efficiency | 80% |
| Wheel Size | 16"-28" |
| Gear Ratio | 1:4.4/1:8 |
| Pair of Poles | 10 |
| Noisy | <50dB |
| Weight | 3.2kg |
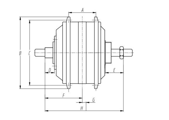
Dimension | A | 52 |
| B | 132 |
| C | 121 |
| D | 15 |
| E | 41 |
| F | 66.5 |
| G | 11 |
| H | 155 |
Installation | Position | Rear |
| Brakes | Disc-brake |
| Cable Position | Left |