Rear drive expanding brake

1577514231175892.png


In detail:
技术参数Data电压  Voltage24V/36V/48V
功率  Power200W~350W
速度  Speed15km/h~35km/h
较大扭矩Maximum Torque45N.m
较高效率Maximum Efficiency81%
轮径  Wheel Size14"-28"
减速比  Gear Ratio1∶4.4/5.17
极对数  Pair of Poles10对极
噪音  Noisy<50dB
重量  Weight3.0kg
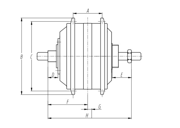
尺寸
Dimension
A43.5
B143.5
C129
D10
E
F53.3
G2.6
H102
安装要求
Installation
安装位置Position前驱Front
刹车方式Brakes碟刹Disc-brake
               
出线方式Cable Position左Left/右Right

Related suggestion

Online consultation

Submit