In detail:
| Data | Voltage | 24V/36V/48V |
| Power | 200W~350W |
| Speed | 15km/h~35km/h |
| Maximum Torque | 35N.m |
| Maximum Efficiency | 82% |
| Wheel Size | 16"-28" |
| Gear Ratio |
|
| Pair of Poles | 20 |
| Noisy | <50dB |
| Weight | 3.5kg |
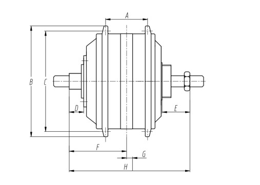
| Dimension | A | 27 |
| B | 191 |
| C | 182 |
| D | 32.5 |
| E | 32.5 |
| F | 75 |
| G | 0 |
| H | 150-160 |
| Installation | Position | Rear |
| Brakes | Drum-brake |
| Cable Position | Left/Right
|