In detail:
| Data | Voltage | 24V/36V/48V |
| Power | 200W~350W |
| Speed | 15km/h~30km/h |
| Maximum Torque | 40N.m |
| Maximum Efficiency | 81% |
| Wheel Size | 12" |
| Gear Ratio | 1∶4.4 |
| Pair of Poles | 10 |
| Noisy | <50dB |
| Weight | 3.0kg |
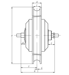
Dimension | A | 35 |
| B | 219 |
| C | 25 |
| D | 15 |
| E | 22 |
| F | 62.5 |
| G | 0 |
| H | 125-135 |
Installation | Position | Rear |
| Brakes | Disc-brake |
| Cable Position | Left/Right |